Гидравлические и пневматические компоненты от китайских производителей

Насосы СОЖ, пластинчатые (регулируемые, однопоточные), шестеренные

Пневматическое оборудование

Фильтры для гидравлической системы

Гидрораспределители, гидроклапаны регулирования давления, гидравлические дроссели, направляющие клапаны, гидропанели и гидроцилиндры

Смазочный питатель, питатель двухлинейный, станции смазочные

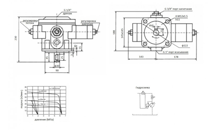
Пластинчатые насосы Г12-53АМ, Г12-54АМ, Г12-55АМ, 2Г12-54АМ-2,5, 2Г12-55АМ-4 (регулируемые) ТУ 2.053.1765-85

Пластинчатые насосы Г12-53АМ, Г12-54АМ, Г12-55АМ, 2Г12-54АМ-2,5, 2Г12-55АМ-4 регулируемые предназначены для нагнетания рабочей гидравлической жидкости в узлах и механизмах машин, в которых требуется регулируемая по величине подача.

Насосы (2)Г12-5...М относятся к группе регулируемых пластинчатых насосов. Также как и регулируемые насосы НПлР обеспечивают изменение подачи минерального масла в гидроприводах от номинального до нуля при достижении в системе давления, равного давлению настройки регулятора давления. Диапазон кинематической вязкости минерального масла 20-213 мм²/с при температуре от +10 до +50 °С.

Насосы Г12-5..М имеют два вида исполнения по способу изменения рабочего объёма:
– механическое для моделей Г12-53АМ, Г12-54АМ, Г12-55АМ (Рном. = 6,3МПа);
– дистанционное для моделей 2Г12-54АМ-2,5 и 2Г12-55АМ-4 (Рном. = 2,5 и 4 МПа соответственно).

Настройка регулятора давления–механическая. Номинальная частота вращения–1500 об/мин. Направление вращения – правое (если смотреть по часовой стрелке со стороны вала).
Насосы Г12-5...М соответствуют ТУ 2.053.1765-85.

ООО «ТП ГИДРАВЛИКА» является официальным представителем ряда зарубежных компаний. Продукция этих предприятий находится в наличии на складе в г. Екатеринбурге (кроме заказных изделий) и отгружается в любую страну. Если хотите купить качественную продукцию напрямую с завода с доставкой в ваш город, обращайтесь к нашим менеджерам.